东方化玻(北京)科技有限公司

24小时服务热线

18101382572

产品搜索

产品展示

您现在所在的位置:首页>   产品展示
产品展示
精密导电塑料电位器
  • 产品名称:精密导电塑料电位器
  • 产品型号:NZF1-WDL300
  • 所属类别:其他仪器仪表
  • 发布时间:2016-09-13
  • 已获点击:171
详细说明
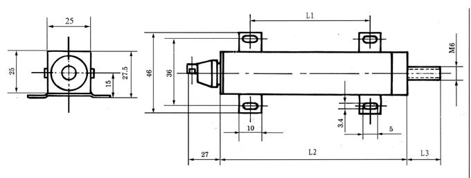
精密导电塑料电位器/直线位移传感器 型号:NZF1-WDL300
库号:M282304   
L1 300
L2 378.5
L3(min)21
L3(max)327
特性 
型号
NZF1-WDL300
标称阻值(KΩ)
5、10
总阻公差(%)
±15
独立线性度(%)
0.1、0.2、0.3、0.5、1
电气行程(mm)
300±1
额定功耗(W,at70℃)
2.0
电阻温度系数(ppm/℃)
≤±400
分辨率
理论上无限
绝缘电阻(MΩ)
≥500(500VDC)
介质耐压(V)
500V(AC.RMS)min
输出平滑性(%)
≤0.1
机械行程(mm)
306
工作温度范围(℃)
-55~+125
寿命(次)
3百万
推力(N)
2.94

@2012 www.midwestz3.com,License;  版权声明   后台管理|在线客服QQ 点击这里给我发消息

客服中心

客服电话:

TEL:18101382572

在线联系方式:

点击这里给我发消息

24H服务电话:

18101382572