24小时服务热线
18101382572
库号:D393658
一 概述
本控制器为替代三相自耦式调压器,是控制三相力矩电机的力矩大小和转速快慢的理想产品。
它采用了电子交流新技术,完达到交流调压、控制电机输出转矩,以适应实际工况需求、本控制器五触点、电子化、调节平稳、体积小、重量轻、效率高、安装维修方便、使用寿命长等特点,是日前理想的节能型产品。
二 工作条件
1、环境温度-25°C-+55C
2、在使用时放在无显著冲击震动处:
3、工作电压:三相交流380V (土10%)
4. 频率50-60HZ
5、空气相对温度≤85% (20°C+5°C)
三 主要技术性能
1、调压范围: 0-375V2. 三相平衡率:≤I%
3、输出电流: 2A-500A4、堵转转矩比: 10: I
四 使用方法
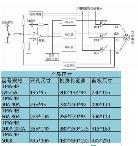
1接线说明,请严格按后盖接线图按线. TMA-4B系列核线,电机不管是Y或型,接三相输入、三相输出即可(图一) ;接线图
@2012 www.midwestz3.com,License; 版权声明 后台管理|在线客服QQ