24小时服务热线
18101382572
库号:D391291
滤波器型号:NFI-0150-SA
额定电流@40℃:150
典型变频器容量:55-75
漏电流:<10
直流电阻:1.9
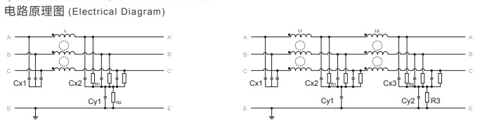
输入/输出连接形式:
外形尺寸:Picture E
重量(kg):7.7
技术参数:
1.额定电压(V)):440VAC.50/60Hz
2.额定电流(1):5~1200A @40℃
3.耐压(V):2250VDC.5S(Line to line)
2550VDC.5S(Line to case)
4.温度范围(使用与存储):-25/+85℃
(25/085/21 IEC 60068-1)
5.过载能力:1.5xI3min/hour
2.5x130s/hour
@2012 www.midwestz3.com,License; 版权声明 后台管理|在线客服QQ